Home
DEVICE ARCHIVE (new!)
UkeAssist
Music
Loose Teeth
Switched-On Phonics
This/That
Bad Goods
Groceries
Strange Birds
Old Hats
Bio/Contact
shop
Menu
Ok Housecat
Homemade Electronic Musical Oddities
Home
DEVICE ARCHIVE (new!)
UkeAssist
Music
Loose Teeth
Switched-On Phonics
This/That
Bad Goods
Groceries
Strange Birds
Old Hats
Bio/Contact
shop
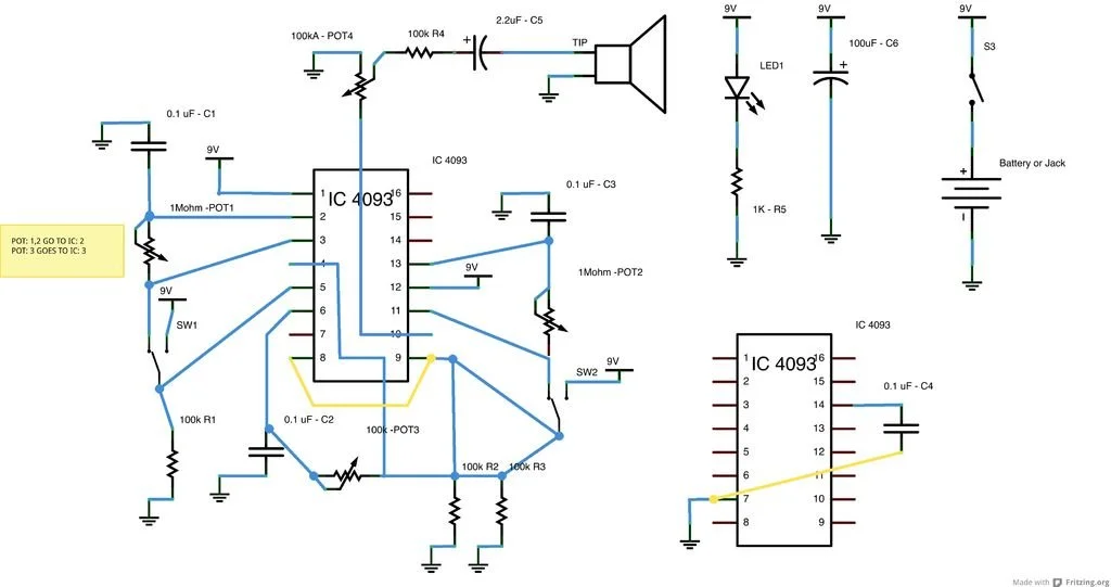
NAND Synth